PHOENIX Robotics Hubsäule
Die PHOENIX Robotics Hubsäule erweitert den Bewegungsraum von Cobots um eine präzise vertikale Achse. Sie bietet maximale Stabilität, einfache Integration und hohe Flexibilität für kollaborative Roboteranwendungen.
Die PHR Hubsäule ist ein modular aufgebautes, vertikal verfahrbares Hubsystem, das aus drei teleskopierbaren Profilsäulen besteht. Diese dienen zur linearen Höhenverstellung von Aufbauten oder Lasten im industriellen Einsatz, vorzugsweise für Cobot Roboter.
Dokumente
Benötigen Sie Hilfe?
Sie sind sich nicht sicher, ob dies das richtige Produkt für Ihre Anwendung ist, oder benötigen eine individuelle Lösung? Kontaktieren Sie uns noch heute, um Hilfe von einem Experten zu erhalten.
Merkmale und Vorteile
PHOENIX Robotics – die Hubsäule für smarte Cobot-Anwendungen

Der Kunde suchte eine Lösung, um den Materialfluss in der Verpackung effizienter zu gestalten.
Die Herausforderung bestand darin, verscheiden große Päckchen automatisiert von einer Station zu einer nachfolgenden Station zu transportieren, ohne dass ein Mitarbeiter eingreifen muss. Ein Mitarbeiter packt das Päckchen, legt es ab und gibt per Knopfdruck ein Signal.
Der Cobot fährt auf einer Linearachse in die richtige Position, während die Phoenix Robotics Hubsäule die vertikale Bewegung übernimmt. Ein 3D-Kamerasystem erkennt die Größe des Päckchens und passt den Greifarm an. Nach der Aufnahme transportiert er es zur nächsten Station. Falls das erkannte Objekt nicht dem erwarteten Bauteil entspricht, wird dies durch ein integriertes Mustererkennungssystem erkannt und der Prozess entsprechend angepasst.
Durch die Nutzung der Hubsäule konnte für diese Anwendung eine kosteneffiziente Lösung gefunden werden, die sich ohne große mechanische Veränderung des Fördersystems realisieren ließ. Die Hubsäule übernimmt dabei den Hub, den z.B. auch ein entsprechend großer Roboter-Arm schafft, diese Option war allerdings aufgrund der engen Bandführung nicht umsetzbar.
Für wen ist die Hubsäule besonders geeignet?
Technische Daten
Motor und Geber
| Bedingung | Wert |
| Spannung | 48 V DC |
Leistungsdaten
| Bedingung | Wert |
| Geschwindigkeit | 125 mm/s (bei Nutzlast 130 kg) 170 mm/s (bei Nutzlast 70 kg) |
| Hub | 800 mm |
| Einschaltdauer | < 40 % / 10 min |
| Genauigkeit | +/- 1 mm (Wiederholgenauigkeit bis 0,5 mm) |
Abmessung und Gewicht
| PHR70-800 | PHR130-800 | |
| Gewicht | ca. 50 kg | |
| Abmessung Bodenplatte | 200 x 200 mm | |
| Hub | 800 mm | |
| Höhe eingefahren | 859 mm | |
| Höhe ausgefahren | 1659 mm | |
| Adapterplatte für Cobot | abhängig vom Cobot | |
Umgebungsbedingungen
| Bedingung | Wert |
| Umgebungstemperatur | 5 - 45 °C |
| Rel. Luftfeuchtigkeit | 75 % 95 % bei einer Betriebsdauer unter 1 Monat |
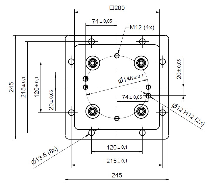
Zeichnungen
Pfaff-silberblau Hubsäule mit ABB Robotics
Wir freuen uns, Ihnen mitteilen zu können, dass wir kürzlich am ABB Robotics Ecosystem Program Workshop teilgenommen haben. Unser Team lieferte erfolgreich einen ersten Hubsäulen-Prototyp, der intelligente Bewegungslösungen für den Robotikmarkt verspricht.
Bleiben Sie dran für die nächsten Schritte! Wir stehen erst am Anfang, und es gibt noch so viel zu tun. Egal, ob Sie ein Roboterhersteller, ein Systemintegrator oder ein neugieriger Lernender sind, der von der Zukunft fasziniert ist, Sie sollten diese Veranstaltung nicht verpassen.
Dokumente


